МДУ-1С-R3 Модуль управления клапаном дымоудаления

  • Производитель: Рубеж
  • Код товара: 440-534
18123 просмотра
4 150 ₽
Розничная цена
3 569
Цена для B2B партнеров

В наличии
Ш. Энтузиастов: резерв
Склад МО, Домодедово: > 10 шт
Склад поставщика: > 10 шт

Оставить отзыв

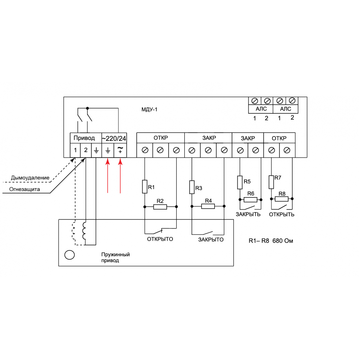
Модуль управления клапаном дымоудаления или огнезадерживающим клапаном предназначен для управления заслонкой клапана в ручном режиме с выносных кнопок управления или в автоматическом режиме с приемно-контрольного прибора. Работает в составе адресной системы под управлением приемно-контрольного прибора Рубеж-2ОП прот.R3.

Назначение: модули управления клапаном дымоудаления или огнезадерживающим клапаном предназначен для управления заслонкой клапана в ручном режиме с выносных кнопок управления или в автоматическом режиме с приемно-контрольного прибора. Работает в составе адресной системы под управлением приемно-контрольного прибора «Рубеж-2ОП» прот.R3.

Модуль предназначен для управления следующими типами приводов клапана:

  • реверсивный электромеханический привод;
  • электромеханический привод с возвратной пружиной;
  • электромагнитный привод с ручным возвратом заслонки в нормальное положение.

Основные особенности МДУ-1С-R3:

  • Нагрузочная способность реле: 24 В DC, 5 А или 230 В AC, 5 А
  • Модуль управления клапаном дымоудаления подает на электромеханический привод напряжение питания с помощью встроенного в модуль реле. Напряжение коммутации составляет 24 В постоянного тока или 230 В переменного тока. Выбор напряжения коммутации производится джампером Jp1, установленным на плате модуля. Остальные параметры и функции аналогичны.
  • Используется для управления приводами, рассчитанными на напряжение 24 или 220 В. Контроль положения заслонки клапана производится с помощью концевых выключателей, встроенных в электромеханический привод либо находящихся на заслонке.
  • Возможность перевода заслонки клапана в нормальное и охранное (защитное) положение в процессе настройки системы с помощью установленных на плате кнопок «ОТКР» и «ЗАКР».
  • Модуль управления клапаном МДУ-1 имеет возможность установки на DIN-рейку с помощью специальной крепежной планки (в комплект поставки не входит и комплектуется по отдельному заказу).

Основные функции:

  • подключение всех основных типов приводов, используемых с клапанами дымоудаления;
  • подключение устройства ручного перевода клапана в защитное или нормальное положение (кнопки);
  • передачу в прибор приемно-контрольный информации о своем состоянии и состоянии подключенного привода;
  • управление заслонкой клапана с приемно-контрольного прибора в автоматическом и ручном режиме;
  • контроль на обрыв цепи до концевых выключателей положения заслонки клапана и цепи обмоток электропривода; контроль на обрыв и КЗ цепей внешних кнопок ручного управления;
  • светодиодную индикацию режимов работы, положения заслонки, наличия связи с прибором.

Технические характеристики:

Количество управляемых клапанов

1

Питание

от АЛС (24-36 В)

Ток, потребляемый от АЛС, не более

0,3 мА

Напряжение питания при управлении:
приводом на 24 В DC
приводом на 230 В AC


ист. питания 24±4В
сеть 220 В, 50 Гц

Нагрузочная способность реле:
 


24 В DC, 5 А или 230 В AC, 5 А

Ток, протекающий по цепям контроля, не более

1,5 мА

Длина соединений до кнопок управления, не более

30 м

Габаритные размеры модуля, не более

108×170×42 мм

Масса, не более

210 г

Рабочий диапазон температур

от -25 до +60°С

Характеристики:
  • Тип адресного устройства: Релейный модуль/блок управления
  • Производитель: Рубеж
  • Артикул производителя: Rbz-337610
Техническая консультация
Самовывоз из офиса:
    Пункт выдачи:*
      Доставка курьером:*
        Транспортные компании:
          Почта России:*
            * Срок доставки указан для товара в наличии на складе в Москве
            Отзывы:

            Ваш отзыв может быть первым!

            Видео: