ВС-ПК ВЕКТОР-С (WiFi+GE) Объектовый прибор
- Производитель: Сибирский Арсенал
- Код товара: 438-720
Объектовый прибор, 12 зон, Wi-Fi ,GSM канал связи, удаленное програмирование, обратный канал (запрос сост., постановка/снятие, управление ПЦН), встроенный аккумулятор.
Назначение: прибор приемно-контрольный и управления охранно-пожарный адресный радиоканальный ВС-ПК ВЕКТОР-С(GE) предназначен для работы в составе систем передачи извещений «Горизонт» и «ЛАВИНА» в качестве объектового прибора.
Прибор обеспечивает централизованную и локальную охрану объектов, оборудованных радиоканальными охранными и пожарными извещателями с передачей информации о тревожных сообщениях и прочих событиях с помощью встроенного WiFi-коммуникатора.
Рассылка SMS и дозвон на телефонные номера пользователей (до 3-х номеров) при тревоге и событиях.
Основные особенности ВС-ПК ВЕКТОР-С (WiFi+GE):
- Прибор работает в составе системы передачи извещений «Горизонт» или в составе интегрированной системы безопасности «ЛАВИНА» версии 6.3.8 и выше. А также обеспечивает охрану в автономном режиме, имеет возможность отправлять тревожные и другие SMS-сообщения на заданные телефонные номера пользователей в формате пригодном для чтения человеком. При работе в СПИ «Горизонт» или ИСБ «ЛАВИНА» прибор передаёт по каналам связи извещения о событиях на пульт централизованного наблюдения и получает от ПЦН команды управления.
- Взаимодействие прибора с радиоканальными извещателями и оповещателями, другими радиоканальными устройствами обеспечивается с помощью двухстороннего обмена данными по радиоканалу в частотном диапазоне 433 МГц. Мощность радиосигнала не превышает 10 мВт, поэтому для использования системы не требуется разрешение и регистрация. Передача данных по радиоканалу между прибором и радиоканальными устройствами обеспечивается на расстоянии до 400 метров на открытой местности при благоприятной помеховой обстановке.
- Общее количество радиоканальных устройств (извещателей, оповещателей, кнопок) на один прибор может быть до 64, в том числе, до 16 или до 24 (в зависимости от установленного значения интервала передачи периодических посылок) радиоканальных оповещателей.
- Прибор имеет 12 адресных зон охраны. За каждой зоной могут быть закреплены один или более радиоканальных извещателей.
- Прибор имеет одну зону оповещения, за которой закрепляются все радиоканальные оповещатели.
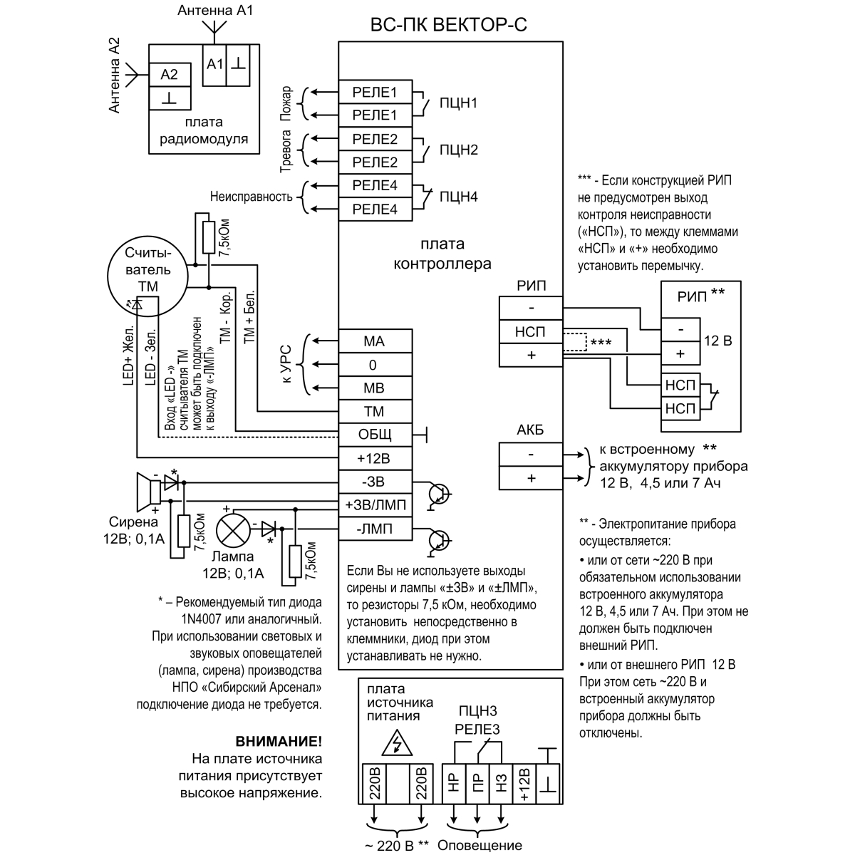
- Прибор имеет два выхода проводного оповещения – выходы для подключения звукового оповещателя и светового оповещателя «-ЗВ» - «ЗВ/ЛМП» - «-ЛМП».
- Радиоканальные и проводные оповещатели реализуют одно направление оповещения.
- К прибору может быть подключен считыватель электронных ключей Touch Memory или другие считыватели кодов, совместимые с протоколом ТМ.
- Управление зонами охраны прибора – постановка на охрану, снятие с охраны, или перепостановка радиоканальных извещателей закрепленных за зонами выполняется с помощью ключей охраны: радиоканальных брелков управления «Б 4-Р», радиоканальных кодонаборных панелей «ПОРТАЛ-Р» и ключей ТМ, прописанных на соответствующие зоны.
- С целью совместного управления – одновременной постановки на охрану, одновременного снятия с охраны, или перепостановки извещателей, закрепленных за разными зонами, зоны объединяются в группы зон.
- Общее количество брелков управления, паролей кодонаборных панелей и ключей ТМ, приписанных к зонам прибора, может быть до 128.
- Приборы комплектуются WiFi-коммуникаторами. Дополнительно установлен GE-коммуникатор для взаимодействия с ПЦН СПИ «Горизонт» или ИСБ «ЛАВИНА».
- Прибор обеспечивает передачу извещений, связанных с событиями на охраняемом объекте и с событиями прибора на пульт СПИ «Горизонт» или ИСБ «ЛАВИНА» через сети ETHERNET или GSM/GPRS. Прибор обеспечивает приём от ПЦН через каналы доставки извещений команд управления и их исполнение.
- Прибор обеспечивает рассылку SMS, а так же дозвон на телефонные номера пользователей (до 3-х номеров).
- Прибор может работать совместно с устройством регистрации событий «ВС-УРС ВЕКТОР».
- Настройка прибора выполняется с помощью программного обеспечения «Конфигуратор ВС-ПК ВЕКТОР-С», АРМ администратора системы «Горизонт» или АРМ администратора системы «Лавина», а так же с помощью переключателей и кнопок, расположенных на плате контроллера прибора.
- ПО позволяет:
- сконфигурировать прибор (закрепить за зонами радиоканальные извещатели и оповещатели, произвести их настройку, прописать радиоканальные брелоки, коды радиоканальных кодонаборных панелей «ПОРТАЛ-Р», электронные ключи ТМ, настроить режимы работы реле);
- настроить коммуникаторы;
- настроить параметры SMS-рассылки на телефоны пользователей;
- изменить конфигурацию;
- просмотреть текущую конфигурацию прибора (текущее закрепление за зонами радиоканальных извещателей, брелков, кодов панелей, ключей ТМ, закрепление за зоной оповещения радиоканальных оповещателей);
- читать журнал событий прибора (последние 10000 событий).
- Прибор имеет четыре реле, которые отображают своими контактами состояния прибора (по умолчанию): «ПОЖАР», «ТРЕВОГА», «НЕИСПРАВНОСТЬ», «ОПОВЕЩЕНИЕ». Настройка режимов работы реле производится с помощью ПО.
- Прибор ведет журнал событий с привязкой ко времени, в котором отображает изменение состояния зон прибора, состояния извещателей, оповещателей, прибора. Объём журнала событий составляет 10000 последних по времени событий. Журнал событий считывается из прибора с помощью ПО или УРС.
- Электропитание прибора осуществляется или от сети переменного тока 220 В с использованием резервного источника питания – встроенного аккумулятора 4,5 Ач или 7 Ач, или от внешнего резервированного источника питания с выходным напряжением +12 В.
- Радиоканальные извещатели и оповещатели питаются от встроенных автономных источников питания – основной и резервной батарей. Длительность непрерывной работы радиоканальных устройств в дежурном режиме от основной батареи составляет до 36 месяцев, а от резервной батареи – до 2 месяцев. Обе батареи поставляются в комплекте с радиоканальными устройствами.
- Радиоканальные устройства обеспечивают постоянный контроль основной и резервной батарей. В случае разряда основной батареи радиоканальное устройство переходит на питание от резервной батареи и отправляет в прибор соответствующее сообщение. Прибор и радиоканальное устройство выдают индикацию о разряде батареи устройства. При индикации разряда батареи необходимо заменить обе батареи радиоканального устройства.
Технические характеристики:
|
Количество адресных зон охраны |
12 |
|
Общее количество радиоканальных извещателей различных типов, радиоканальных оповещателей различных типов и радиоканальных кнопок различных типов на один прибор, не более, шт. |
64 |
|
В том числе, количество радиоканальных оповещателей различных типов (в зависимости от установленного значения интервала передачи периодических посылок: 7 сек. / 15 сек.), не более, шт. |
16 / 24 |
|
Общее количество радиоканальных брелков, кодов кодонаборных панелей «ПОРТАЛ-Р», электронных ключей ТМ на один прибор, не более, шт. |
128 |
|
Максимальная дальность связи радиоустройств с прибором на открытой местности, до, м |
400 |
|
Количество телефонных номеров пользователей для SMS рассылки, до |
3 |
|
Количество реле прибора |
4 |
|
Параметры реле 1, 2, 4: |
|
|
Параметры реле 3: |
|
|
Напряжение питания от сети (переменный ток 50 Гц), В |
110 ... 242 |
|
Мощность, потребляемая от сети, не более, ВА |
15 |
|
Напряжение питания от аккумулятора, В |
11,8 ... 14,0 |
|
Номинальная емкость встроенного аккумулятора, Ач |
7 или 4,5 |
|
Время работы прибора от полностью заряженного аккумулятора в дежурном режиме, не менее, часов (7 Ач / 4,5 Ач) |
36 / 24 |
|
Суммарный ток по выходам «ЗВ» и «ЛМП», не более, А |
0,2 |
|
Максимально допустимый общий ток потребления по выходу +12 В, А |
0,7 |
|
Номинальный ток, А (номинальный ток без использования внешних потребителей по выходу +12 В) / номинальное напряжение, В внешнего резервированного источника питания |
1,5 (1,0) / 12 |
|
Степень защиты оболочкой по ГОСТ 14254 |
IP20 |
|
Диапазон рабочих температур, °C |
–30 … +55 |
|
Масса (без аккумулятора), не более, кг |
0,7 |
|
Габариты (без подключенных антенн), не более, мм |
250×210×80 |
- Производитель: Сибирский Арсенал
- Несущая частота (МГц): 433
- Тип адресного радиоустройства: ППКОП (контрольная панель) с радиоприемником
Ваш отзыв может быть первым!
