ST-NC441R2 Сетевой контроллер на 4 двери
- Производитель: Smartec
- Код товара: 468-342
Сетевой контроллер на 4 двери (4 считывателя) без бокса, подключение до 15 модулей расширения, работа под управлением ПО Timex 23.2.0 и выше, TCP/IP, Wiegand 26 и 34, 100000 пользователей, 100000 событий, 12 контролируемых входов, 6 релейных выходов, 2 Ethernet порта, 0° +55°С, 9-14 В DC, не более 300мА
Контроллер нового поколения ST-NC441R2 предназначен для построения сетевых систем контроля доступа на базе программного обеспечения «Таймекс». В случае отсутствия постоянного подключения к серверу, система продолжает выполнять свои функции в автономном режиме с полным сохранением работоспособности.
Основные особенности:
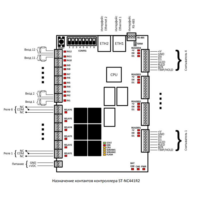
- Поддержка до 4 дверей или 2 турникетов, расширение до 64 дверей
- Поддержка считывателей с Wiegand 26, Wiegand 34 или пользовательским Wiegand 26–64
- Виды идентификации: карта, код, карта и код, карта или код
- 2 Ethernet порта, работающих в качестве повторителя
- Поддержка режимов: ЗПП, шлюз, лифтовой доступ
- Свободно программируемые входы/выходы
- 12 контролируемых входов
- 6 релейных выходов
Контроллер нового поколения ST-NC441R2 предназначен для построения сетевых систем контроля доступа на базе программного обеспечения «Таймекс». В случае отсутствия постоянного подключения к серверу, система продолжает выполнять свои функции в автономном режиме с полным сохранением работоспособности.
2 порта Ethernet и 4 порта для подключения считывателей
Контроллер имеет 2 Ethernet порта, работающих в режиме повторителя, что позволяет использовать второй порт для подключения новых контроллеров для упрощения инсталляции. 4 порта контроллера предназначены для подключения любых считывателей с интерфейсами Wiegand 26 или Wiegand 34 или пользовательским Wiegand 26−64.
Программируемые входы/выходы
Контроллер имеет свободно программируемые входы и выходы, которые могут быть сконфигурированы для контроля стандартных устройств (кнопки выхода, датчики положения двери, электромагнитные замки), для контроля любых других устройств (датчики охранной сигнализации) или для управления какими-либо устройствами в ручном или автоматическом режиме.
Наличие дополнительных модулей
Емкость контроллера может расширяться за счет использования до 15 модулей, подключаемых по RS-485. Например, модуль ST-NB441D позволяет расширить количество считывателей до 64.
Технические характеристики:
|
Параметры |
Значения |
|
Число пользователей: |
100.000 |
|
Число событий: |
100.000 |
|
Число временных зон: |
256 |
|
Число уровней доступа: |
5000 |
|
Пункты доступа: |
4 двери (расширение до 64) |
|
Считыватели: |
4 (расширение до 64) |
|
Входы: |
12, свободно программируемые (расширение до 132) |
|
Выходы: |
6, свободно программируемые (расширение до 66) |
|
Интерфейсы связи: |
2 порта TCP/IP (режим повторителя) |
|
Вход считывателя: |
Wiegand 26, Wiegand 34, пользовательский Wiegand 26–64, ПИН – 4/8 бит |
|
Релейные выходы: |
Релейный выход НЗ/НР; 36В DC, 5А/30В AC, 8А |
|
Питание: |
12 В (DC) ±10%, не более 650 мА (без учета считывателей) |
|
Диапазон рабочих температур: |
От 0 до +55 °С без конденсации |
|
Диапазон рабочей влажности: |
10%–80% |
|
Габариты: |
180 х 120 х 21 мм |
- Производитель: Smartec
- Dallas Touch Memory (iButton) для считывателей: Нет
- Wiegand для считывателей: 26, 34
- Другие выходные интерфейсы: Ethernet
- Кол-во пользователей: 100000
- Кол-во релейных выходов: 6
- Кол-во событий в памяти: 100000
- Кол-во считывателей: 4
- Кол-во тревожных входов: 12
- Место под АКБ (А/ч): 0
- Особенности контроллера: Бесплатное ПО Timex Base
- Тип питания: 12 В
- Учет рабочего времени: Нет
В составе комплекта этот товар можно купить дешевле на 3900 ₽
Ваш отзыв может быть первым!
