И. Неплохое
к.т.н., технический директор Бизнес-группы «Центр-СБ»,
Н. Куликов
начальник технического отдела ООО «НПФ «Полисервис»
Пожарные извещатели пламени уникальны как класс. В отличие практически от всех других типов пожарных извещателей, которые предназначены только для внутренней установки, извещатели пламени позволяют защищать наружные зоны большой площади, установки и хранилища, в том числе и во взрывоопасных зонах. Они обеспечивают минимальное время обнаружения загорания материалов, не имеющих стадии тления, например, легко воспламеняющихся жидкостей и пластмасс. Принцип действия пожарных извещателей пламени и специфические условия эксплуатации определяют особенности их конструкции и размещения. Извещатели пламени более 10 лет назад при сертификации по НПБ 72-98 начали проходить испытания по стандартным тестовым очагам ТП-5, ТП-6, которые дают достоверную оценку их эффективности при работе в реальных условиях, в отличие от извещателей других типов, огневые испытания которых до сих пор в России не проводятся. Специфика применения пожарных извещателей пламени определяет слабое освещение данной темы в отраслевой печати, хотя отмечается постоянное повышение интереса к данному оборудованию.
По действующему в настоящее время ГОСТ Р 53325-2009 «Техника пожарная. Технические средства пожарной автоматики» извещатель пожарный пламени (ИПП) -это автоматический пожарный извещатель, реагирующий на электромагнитное излучение пламени или тлеющего очага. По рабочему диапазону извещатели пожарные пламени разделены на ИПП инфракрасного диапазона длин волн, видимого диапазона и ультрафиолетового диапазона. Любой извещатель пламени содержит чувствительный элемент - преобразователь электромагнитного излучения в электрический сигнал - реагирующий на электромагнитное излучение пламени соответственно в инфракрасном, видимом или ультрафиолетовом диапазоне длин волн. Также определены многодиапазонные извещатели пламени, реагирующие на электромагнитное излучение пламени или тлеющего очага в двух и более участках спектра электромагнитного излучения. К инфракрасному диапазону относится электромагнитное излучение, занимающее спектральную область от границы красного видимого света с длиной волны 0,76 мкм до начала диапазона микроволнового излучения с длиной волны 1-2 мм. Весь диапазон инфракрасного излучения, которое также называют тепловым излучением, для определенности разделяют на три поддиапазона: коротковолновая область с длиной волны 0,74-2,5 мкм, средневолновая область 2,5-50 мкм, длинноволновая область 50-2000 мкм.
Ультрафиолетовый диапазон электромагнитного излучения располагается между видимым и рентгеновским излучением от 380 нм до 10 нм и условно разделяется на ближний ультрафиолет от 380 до 200 нм и дальний от 200 до 10 нм, который значительно поглощается атмосферой. Между ними располагается электромагнитное излучение видимого диапазона, которое воспринимается человеческим глазом, с длиной волны от 380 нм (фиолетовый) до 760 нм (красный). Нм, или нанометр, - это одна миллиардной часть метра, т. е. равна 10-9 м, или тысячная часть микрона 10-3 мкм. Видимый диапазон в извещателях пламени практически не используется из-за значительного уровня помех, создаваемых различными осветительными приборами.
Рис. 1. Конструкция оптической скамьи

По ГОСТ Р 53325-2009, извещатель пламени должен обнаруживать тестовые очаги пожара ТП-5 (горение легковоспламеняющейся жидкости с выделением дыма) и ТП-6 (горение легковоспламеняющейся жидкости без выделения дыма). В соответствии с приложением Н, в тестовом очаге ТП-5 используют 650 г смеси Н-гепта-на, в поддоне из листовой стали размером 330 х 330 х 50 мм, т.е. площадью примерно 0,1 м2. В тестовом очаге ТП-6 используют 2000 г этилового спирта в поддоне размерами 435х 435х 50 мм, соответственно площадью около 0,2 м2. Причем в зависимости от максимального расстояния, с которого еще обеспечивается устойчивое обнаружение пламени тестовых очагов ТП-5 и ТП-6 за время не более 30 с, присваивается конкретный класс по чувствительности: 1-й класс - обнаружение очагов с расстояния не менее 25 м, 2-й класс - с расстояния не менее 17 м, 3-й класс - не менее 12 м и 4-й класс - не менее 8 м. Причем в ГОСТ Р 53325-2009 указано, что определение класса извещателя пламени должно быть произведено при постановке конкретного типа на производство, и подтверждаться при сертификационных испытаниях. Класс извещателя пламени должен быть указан в технической документации.
Значительная часть сертификационных испытаний, например, повторяемость значения чувствительности от образца к образцу, стабильность чувствительности извещателя пламени, телесный угол обзора, защита от фоновой освещенности чувствительного элемента, создаваемой люминесцентными лампами и лампами накаливания проводятся в соответствии с Приложением И ГОСТ Р 53325-2009 по пламени метановой горелки при использовании так называемой оптической скамьи.

Рис. 2. Диск модулятора
Оптическая скамья выполнена в виде стола, имеющего длину 2,5 ± 0,5 м, ширину 0,5 ± 0,2 м и высоту 0,8 ± 0,2 м. На столеус-тановлены метановая горелка 1, модулятор 2, нейтральный аттенюатор 3, затвор 4 и стойка 5 с извещателем пламени 6 (рис. 1).
Затвор 4 представляет собой светонепроницаемую перегородку размером 0,4 х 0,4 м и предназначен для формирования воздействия на извещатель пламени метановой горелки в требуемые промежутки времени без ее выключения. Нейтральный аттенюатор 3 позволяет для конкретного типа извещателя пламени подобрать требуемое ослабление излучения пламени для проведения измерений на расстояниях в пределах оптической скамьи. Модулятор 2 представляет собой вращающийся диск из светонепроницаемого материала с 10 отверстиями (рис. 2) диаметром примерно 1м с приводом от электромотора. Он предназначен для имитации мерцания пламени с определенной частотой и используется при тестировании пожарных извещателей пламени с соответствующей обработкой информации. Модулятор не используют, если частота мерцания не установлена в документации на извещатель.
Извещатель устанавливают на расстоянии D, равном 1500 ± 20 мм, от горелки таким образом, чтобы чувствительный элемент извещателя находился на одной линии с источником излучения и модулятором. Освещенность в плоскости чувствительного элемента извещателя от естественных и искусственных источников освещения не должна превышать 50 лк. На линии между источником и извещателем устанавливают затвор, зажигают метановую горелку, изве-щатель подключают к источнику питания и/или пожарному приемно-контрольному прибору. Радиометром измеряют излучаемую источником энергию P и при дальнейших испытаниях регулировкой уровня пламени поддерживают значение измеренной энергии P. Нейтральный аттенюатор устанавливают на максимальное ослабление сигнала и при необходимости включают модулятор. Далее убирают затвор и регулировкой уровня затухания аттенюатора достигают устойчивого срабатывания извещателя за время, установленное в технической документации на него, но не более 30 с. В течение всех дальнейших испытаний с конкретным типом извещателей затухание аттенюатора не изменяют.
Перемещением извещателя вдоль оптической скамьи определяют так называемую точку отклика - максимальное расстояние D между горелкой и извещателем, при котором он устойчиво срабатывает за время, установленное в технической документации, но не более 30 с, которое характеризует относительный уровень чувствительности извещателя. По результатам измерений для 6 отобранных для испытаний методом случайной выборки образцов извещателей присваиваются порядковые номера: изве-щатель с максимальной точкой отклика -№ 1, с минимальной - № 6. По максимальному и минимальному значениям расстояния D, определенным в ходе испытаний вычисляется коэффициент неустойчивости к, характеризующий в данном случае повторяемость чувствительности извещателей:
Для определения стабильности чувствительности извещателя пламени определяют шесть раз точки отклика в одинаковых условиях с перерывами, в течение не менее одного часа, в перерывах между испытаниями извещатель должен оставаться во включенном состоянии. Естественно, после каждого испытания извещатель возвращают в дежурный режим. Так же по максимальному и минимальному значениям расстояния D, полученных при этих испытаниях по формуле (1), определяют коэффициент неустойчивости к, величина которого не должна превышать 1,3. Соответственно, отношение Dmax/Dmin не должно превышать V173 ~ 1,14.
Одной из важнейших характеристик, которая в обязательном порядке указывается в технической документации на извещатель пламени, - это телесный угол обзора р, который характеризует ширину диаграммы направленности извещателя и, соответственно, наряду с дальностью обнаружения очага используется при определении максимальной величины защищаемой площади. Для определения угла обзора извеща-теля пламени в одинаковых условиях определяют точки отклика при направлении оптической оси извещателя пламени под углом a к направлению на источник излучения, при a = 0°, ± 15°, ± 30°, ... « ±a„. Значение amax определяется как половина угла обзора р, указанная в ТУ на данный тип из-вещателя пламени. По максимальному и минимальному значениям расстояния D, полученным в процессе испытания, вычисляется коэффициент неустойчивости к, который не должен превышать 2,0. Таким образом, дальность обнаружения очагов на границах области обнаружения должна сокращаться по сравнению с максимальной дальностью обнаружения, которая обычно определяется на оптической оси извещателя пламени, не более чем в 1,41 раза.
Устойчивость извещателей к воздействию прямого света, создаваемого источниками искусственного освещения, определяется при фоновой освещенности чувствительного элемента люминесцентными лампами - не менее 2500 лк, лампами накаливания - не менее 250 лк. Испытание проводят на оптической скамье, предварительно извещатель пламени выдерживают в течение не менее одного часа во включенном состоянии при освещенности в плоскости чувствительного элемента (элементов) не более 50 лк. Далее включают на 1 с и выключают на 1 с лампы накаливания 20 раз, далее производят аналогичное воздействие люминесцентными лампами, затем включают весь свет не менее чем на 2 часа, и в конце испытания определяются точка отклика и коэффициент неустойчивости к, величина которого при этом испытании не должна превышать 2. Соответственно, соотношение дальности обнаружения очага должно изменяться не более чем в 1,41 раза. Кроме того, в процессе испытания извещатель не должен выдавать извещение «Неисправность» или «Пожар».
Для проведения огневых испытаний извещатель пламени устанавливают на стойки на высоте 1,5 ± 0,1 м над уровнем пола, а тестовый очаг устанавливают на полу. Оптическую ось изве-щателя располагают горизонтально в направлении к тестовому очагу. Расстояние между центром тестового очага и основанием стоек устанавливают в зависимости от класса извещателя пламени, указанного в технической документации. В испытаниях последовательно используют тестовые очаги ТП-5 и ТП-6. Первоначальная температура горючих веществ должна быть 25 ± 10° С. Скорость воздушного потока в месте установки тестового очага не должна превышать 0,2 м/с. Освещенность в плоскости чувствительных элементов ИПП не должна превышать 50 лк. Между извещателем пламени и тестовым очагом вблизи извещателя устанавливают светонепроницаемые перегородки. Зажигают тестовый очаг. Через 30 с перегородки убирают и извещатель подвергают воздействию излучения пламени сначала одного, затем другого тестового очага в течение времени, установленного изготовителем в ТУ, но не более 30 с. Извещатель должен выдать сигнал «Пожар» при воздействии излучения пламени как одного, так и другого тестового очага.
Основные требования и методики испытаний извещателей пламени по новому ГОСТ Р 53325-2009 несколько отличаются от приведенных в действующих ранее НПБ 72-98. Так, по НПБ 72-98, испытания проходили 8 образцов, сейчас проходят 6 образцов, огневые испытания раньше проходили 4 образца - 2 с максимальной чувствительностью и 2 с минимальной, теперь только 1 образец, и почему-то не с наихудшей, а с 4-ой чувствительностью. Испытания на прямой свет проводились раньше на одном самом чувствительном извещателе, теперь проводятся на 5 образцах, но на всех, кроме самого чувствительного!? К тому же, при этих испытаниях допустимый коэффициент неустойчивости с 1,6, по НПБ 72-98, был увеличен до 2 в ГОСТ Р 53325-2009. По каким-то причинам в ГОСТ Р 53325-2009 не вошли испытания на воздействие двуокиси серы (проверка защиты от коррозии) для из-вещателей, предназначенных для эксплуатации в помещениях с наличием агрессивных сред, а также требование по степени защиты оболочки, которое в НПБ 72-98 было не ниже IP41.
Положительно, что угол обзора теперь измеряется по 2 образцам, а не по одному, как было по НПБ 72-98. Кроме того, в ГОСТ Р 53325-2009 введены требования по пожарной безопасности по которым при нормальной работе изве-щателя и работе в условиях неисправности ни один из элементов его конструкции не должен иметь температуру выше допустимых значений, установленных ГОСТ Р МЭК 60065 (п. 4.3). Перед проведением испытаний на пожарную безопасность проводят анализ электрической схемы и конструкции пожарного извещателя. В процессе анализа производят учет возможного ограничения мощности, подаваемой на извещатель пожарный со стороны источника питания, и если подаваемая мощность ограничена на уровне не более 10 Вт, то испытание не проводят. В противном случае экспертным путем определяют наиболее опасную возможность нарушения целостности извеща-теля пожарного (короткое замыкание или обрыв внешних и внутренних цепей) и проводят испытания по методике ГОСТ Р МЭК 60065 (п.п. 4.3, 11.2).
Для автономных извещателей пламени в ГОСТ Р 53325-2009 введена проверка уровня звукового сигнала, величина которого на расстоянии 1 м должен быть не менее 85 дБ в течение не менее 4 минут.
Рис. 3. Пример двухдиапазонного извещателя пламени ИК+УФ

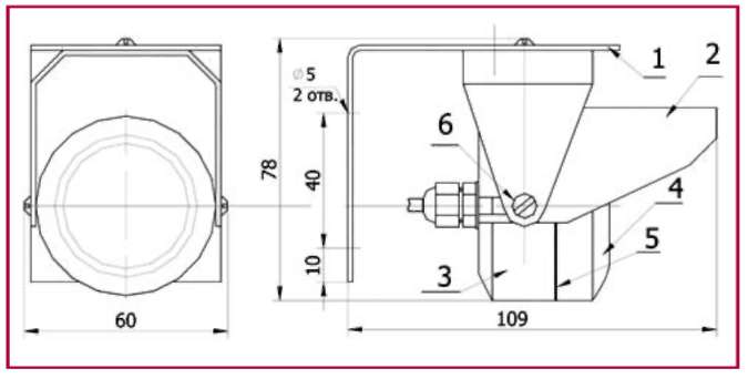
Рис. 4. Конструкция извещателя пламени.
1 - кронштейн;
2 - козырек;
3 - дно корпуса,
4 - крышка;
5 - кольцо герметизирующее;
6 - винт крепления корпуса.

В соответствии с разделом 13.8 Свода правил СП 5.13130.2009 «Системы противопожарной защиты. Установки пожарной сигнализации и пожаротушения автоматические. Нормы и правила проектирования», пожарные извещатели пламени должны устанавливаться на перекрытиях, стенах и других строительных конструкциях зданий и сооружений, а также на технологическом оборудовании.Если на начальной стадии пожара возможно выделение дыма, то расстояние от извещателя до перекрытия должно быть не менее 0,8 м. Кроме того, размещение извещателей пламени необходимо производить с учетом исключения возможных воздействий оптических помех. Извещатели пульсационного типа не следует применять, если площадь поверхности горения очага пожара может превысить площадь зоны контроля изве-щателя в течение 3 с.
Зона контроля должна контролироваться не менее чем двумя извещателями пламени, включенными по логической схеме «И», а расположение извещателей должно обеспечивать контроль защищаемой поверхности, как правило, с противоположных направлений. Допускается применение одного пожарного извещателя в зоне контроля, если одновременно извещатель может контролировать всю эту зону и выполняются условия п. 13.3.3, б), в), г). Контролируемую извещателем пламени площадь помещения или оборудования следует определять, исходя из значения угла обзора извещателя, чувствительности по ГОСТ Р 53325, а также чувствительности к пламени конкретного горючего материала, приведенной в технической документации на извещатель.
Соответственно, производители пожарных извещателей пламени в технической документации дают информацию по дальности обнаружения стандартных очагов тестовых пожаров ТП-5 и ТП-6, а также очагов других горючих материалов, что позволяет потребителю оптимизировать выбор типа извещателя. Характеристики извещателей определяются не только выбранным диапазоном, но и способом формирования диаграммы направленности. На практике не всегда требуется большая величина угла обзора, нередко требуется контроль определенной площади и блокировка сигналов с других участков площади. При использовании линз Френеля может быть сформирована узкоугольная диаграмма направленности с соответствующим увеличением чувствительности. Причем для обеспечения возможности эксплуатации извещателей в тяжелых условиях, при наличии пыли, песка, ветра, перепадов температур и т.д., оптические элементы извещателя пламени изготавливаются из сапфира, а не из стекла.
Например, если извещатель пламени с телесным углом обзора р = 60° обеспечивает устойчивое срабатывание от воздействия излучения тестовых очагов ТП-5, ТП-6 не менее 17 м, то у извещателя пламени с телесным углом обзора р = 12° дальность обнаружения тестового очага ТП-5 увеличивается до 60 м, а тестового очага ТП-6 до 50 м. Такой извещатель пламени с расстояния 25 м обнаруживает очаги горения керосина, спирта и гептана площадью 0,0225 м2 (150 х 150 мм) и не реагирует на помехи вне зоны обнаружения.
Для обеспечения возможности адаптации извещателя пламени к различным условиям эксплуатации извещатель пламени может содержать дополнительные регулировочные элементы, например, потенциометр ПОРОГ - для регулировки чувствительности извещателя посредством выбора количества превышений порога Nu в заданном интервале времени t.
Во взрывоопасных зонах это время должно выбираться минимальным, в помещениях, где возможны тлеющие очаги возгорания, устанавливается максимальное время. Для большинства производственных и жилых помещений это время может быть установлено в диапазоне 2-4 с. Посредством изменения положения движка потенциометра ПОРОГ время анализа может регулироваться от 1 до 8 с, а число превышений порога от 3 до 16 соответственно.
Для эффективной работы в реальных условиях извещатель пламени должен отвечать значительному перечню дополнительных требований. Так, например, извещатель для наружной установки должен иметь высокую степень защиты оболочки, порядка IP65, широкий диапазон рабочих температур, сохранять работоспособность при дожде, снеге, тумане, пыли и т.д. Извещатель пламени должен иметь сложный алгоритм обработки информации для исключения ложных сигналов при наличии солнечных бликов, проблесковых маячков и т.п.
Значительное снижение вероятности ложной тревоги может быть обеспечено при использовании многодиапазонных извеща-телей пламени, анализирующих электромагнитное излучение в нескольких участках спектра. Например, выделяются и анализируются спектральные характеристики источников в ультрафиолетовом и инфракрасном диапазонах одновременно (рис. 3). С другой стороны, в определенных условиях может использоваться логика формирования сигнала «Пожар» при обнаружении излучения в любом из диапазонов - данный алгоритм расширяет число видов обнаруживаемых очагов и сокращает время обнаружения пожара. Для выбора логики работы многодиапазонного извещателя пламени предусматриваются соответствующие регулировочные элементы, обычно в виде джамперов.
Нередко обеспечивается контроль работоспособности пожарного извещателя пламени с формированием сигнала «Неисправность» на приемно-контрольный прибор по отдельному шлейфу и светодиодной индикацией. Причем обычно одновременно контролируется и величина напряжения питания изве-щателя, следовательно, не требуются дополнительные элементы для контроля шлейфа питания.
Требования по установке извещателя пламени определяют особенности его конструкции - это, как правило, герметичный металлический корпус, обязательное наличие гермовводов, крепежный кронштейн с элементами регулировки положения извещателя (рис. 4).
В заключение можно отметить, что, в отличие от большинства других типов пожарных извещателей, разработка и испытания извещателей пламени базируются на обнаружении реальных очагов, стандартных и нестандартных, в том числе и уменьшенных размеров. Значительный объем сертификационных испытаний пожарных извещателей пламени при использовании метановой горелки и проведение огневых испытаний по стандартным тестовым очагам ТП-5 и ТП-6 позволяют проконтролировать основные технические характеристики, заявленные производителем, что значительно упрощает выбор типа извещателя для конкретного объекта.
Источник: "Алгоритм Безопасности" № 1, 2010 год.