КАУ-2 ПРОТ.R3 Контроллер адресных устройств

  • Производитель: Рубеж
  • Код товара: 427-706
Рубеж КАУ-2 ПРОТ.R3 КАУ-2 ПРОТ.R3 изображение 2
Фото 1
Фото 2
4018 просмотров
Подобрать аналоги

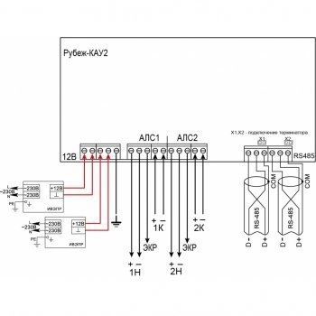
Контроллер адресных устройств, : вход/выход для подключения интерфейса RS-485 c гальванической развязкой; количество адресных линий связи –2; количество адресныхустройств, подключаемых к одной АЛС – 250; количество зон в приборе -500; длина адресной линии связи – не более 3 000 м; полярность подключения АЛС -Униполярное.

Назначение: контроллеры адресных устройств  предназначены для применения в адресных системах охранной и пожарной сигнализации, пожаротушения, дымоудаления, оповещения и применяются в тех случаях, когда установка полноценного приемно-контрольного прибора Рубеж-2ОП прот. R3 нецелесообразна. На контроллерах адресных устройств можно построить распределенную адресную систему ОПС и СКУД с объединением в сеть до 60 контроллеров и приемно-контрольных приборов «Рубеж-2ОП» прот.R3. В каждую АЛС контроллеров можно подключить до 250 адресных устройств тм Рубеж протокола R3.

Основные особенности КАУ-2 ПРОТ.R3:

  • Контроллеры работают с адресными устройствами по двум адресным линиям связи (АЛС) и позволяют работать с радиальными, кольцевыми, древовидными АЛС. Общая длина каждой АЛС – не более 3000 м. Имеется контроль АЛС на КЗ, перегрузку, контроль исправности устройств в АЛС.
  • В контроллерах имеется энергонезависимая память для хранения базы данных адресных устройств и ведения журналов событий.
  • Контроллер может функционировать как автономно, так и в составе сети.
  • Постановка/снятие зон с охраны с помощью считывателей карт Proximity или кодонаборников, подключенных к адресным устройствам.
  • Разграничение полномочий по взятию/снятию с охраны с помощью задания уровня доступа.
  • Автоматическое включение светозвукового и речевого оповещений, устройств противодымной защиты, пожаротушения при различных событиях в системе.
  • Регистрирование всех происходящих в системе событий.
  • Контроллеры адресных устройств  имеют 2 ввода питания 12 В.
  • Прибор ведет журналы на 1024 пожарных и 500 охранных событий, а также 51000 событий СКУД, в которых фиксируется информация о типе события, его дате, времени, адресе линии связи и устройства. Все события фиксируются в энергонезависимой памяти.
  • Наличие в системе адресных охранных извещателей позволяет организовать охранную сигнализацию с определением зоны нарушения с точностью до помещения и адреса извещателя.
  • Конфигурация контроллеров в процессе инсталляции и конфигурация работы системы пожарной сигнализации выполняется с персонального компьютера с помощью ПО «FireSec Администратор» – поставляется бесплатно и входит в комплект поставки. Без записанной конфигурации, т.е. базы данных АУ, контроллер не может контролировать подключенные к нему АУ. Создание и запись конфигурации являются обязательными действиями при настройке системы. После конфигурирования контроллеры адресных устройств могут управлять системой автономно.
  • Для более наглядного представления информации об охраняемом объекте и осуществления мониторинга всей системы может применяться компьютер с установленным ПО «FireSec Оперативная задача». Приобретается отдельно.
  • Контроллеры работают в соответствии с базой адресных устройств, записанных в них с помощью ПО «FireSec Администратор».
  • Подключение к компьютеру контроллера осуществляется через модули сопряжения МС-1, МС-2 или МС-Е.
  • Для организации распределенной системы ОПС, ОС и СКУД применяются схемы с объединением в одну сеть (RS-485) до 60 адресных приемно-контрольных приборов или контроллеров и выводом информации на центральный компьютер.

Основные функции:

  • прием сигналов от адресных устройств по адресной линии связи;
  • обработка информации от устройств извещения о пожаре и тревоге;
  • принятие решений о возникновении в системе тревожных состояний;
  • управление системами пожаротушения и дымоудаления, речевого оповещения на охраняемом объекте;
  • управление системой контроля и управления доступом;
  • автоматический контроль целостности АЛС и исправности адресных устройств;
  • обмен данными по интерфейсу RS-485 с другими приборами и компьютером.

Контроллеры адресных устройств работают со следующим оборудованием:

  • адресными извещателями пожарными ИП 212-64 прот. R3, ИП 212/101-64-PR прот. R3, ИП 101-29 PR прот. R3;
  • адресными извещателями пожарными ручными ИПР 513-11 прот. R3; 
  • адресными модулями управления клапанами дымоудаления МДУ-1 прот. R3, МДУ-1С прот. R3;
  • адресными модулями речевого оповещения МРО-2М прот. R3;
  • адресными модулями управления пожаротушением МПТ-1 прот. R3;
  • адресными пожарными метками АМП-4 прот. R3;адресными метками АМ-1 прот. R3 и АМ-4 прот. R3;
  • адресными релейными модулями РМ-1 прот. R3, РМ-4 прот. R3, РМ-1К прот. R3, РМ-4К прот. R3;
  • устройствами дистанционного пуска УДП 513-11 прот. R3;
  • радиоканальными удлинителями адресной линии связи КРК-4-БС прот. R3, КРК-30-АЛС прот. R3;
  • адресными шкафами управления насосом/вентилятором ШУН/В прот. R3;
  • адресными шкафами управления электроприводной задвижкой ШУЗ прот. R3;
  • адресными резервированными источниками питания ИВЭПР 12/2 RSR прот. R3, ИВЭПР 12/3,5 RSR прот. R3, ИВЭПР 12/ХХ; ИВЭПР 24/ХХ;
  • модулями контроля доступа МКД-2 прот. R3;
  • интерфейсными модулями ИМ-1прот. R3;
  • адресными охранными извещателями ИО32920-2; ИО 30920-2; ИО 40920-2; ИО 10220-2.

Технические характеристики:

Напряжение питания

12 В DC

Собственный ток потребления КАУ, не более

0,15 А

Ток, потребляемый КАУ (без учета собственного потребления), при подключении максимально
возможного числа адресных устройств, не более Максимальный потребляемый ток КАУ, не более


0,52 А
0,7 А

Наличие гальванической развязки RS-485

Нет

Количество АЛС, подключаемых к прибору

1

Топология АЛС

только радиальная

Длина: АЛС, не более
кабеля интерфейса RS485, не более

3000 м
1000 м

Максимальное количество адресных устройств, подключаемых к одной АЛС


250

Максимальное количество зон в приборе, не более

250

Характеристики:
  • Тип адресного устройства: ППКОП / контроллер
  • Производитель: Рубеж
  • Место установки: В помещении
Самовывоз из офиса:
    Пункт выдачи:*
      Доставка курьером:*
        Транспортные компании:
          Почта России:*
            * Срок доставки указан для товара в наличии на складе в Москве