ШУЗ-0,37-00-R3 (119880) Шкаф управления
- Производитель: Рубеж
- Код товара: 002-851
Шкаф управления электроприводной задвижкой ШУЗ-R3 предназначен для управления задвижкой с однофазными электродвигателями номинальной мощностью 0.37 кВт.Работает с «Рубеж-2ОП» прот.R3, «R3-Рубеж-2ОП» или автономно. 510×410×250 мм, 12 кг
Назначение: шкаф управления электроприводной задвижкой предназначен для управления задвижкой с электроприводом в адресных системах Рубеж. Шкаф управления задвижкой используется совместно с прибором приемно-контрольным «Рубеж-2ОП» прот.R3 или автономно.
Основные особенности ШУЗ-0,37-00-R3:
- Мощность электродвигателя,кВт: 0,37
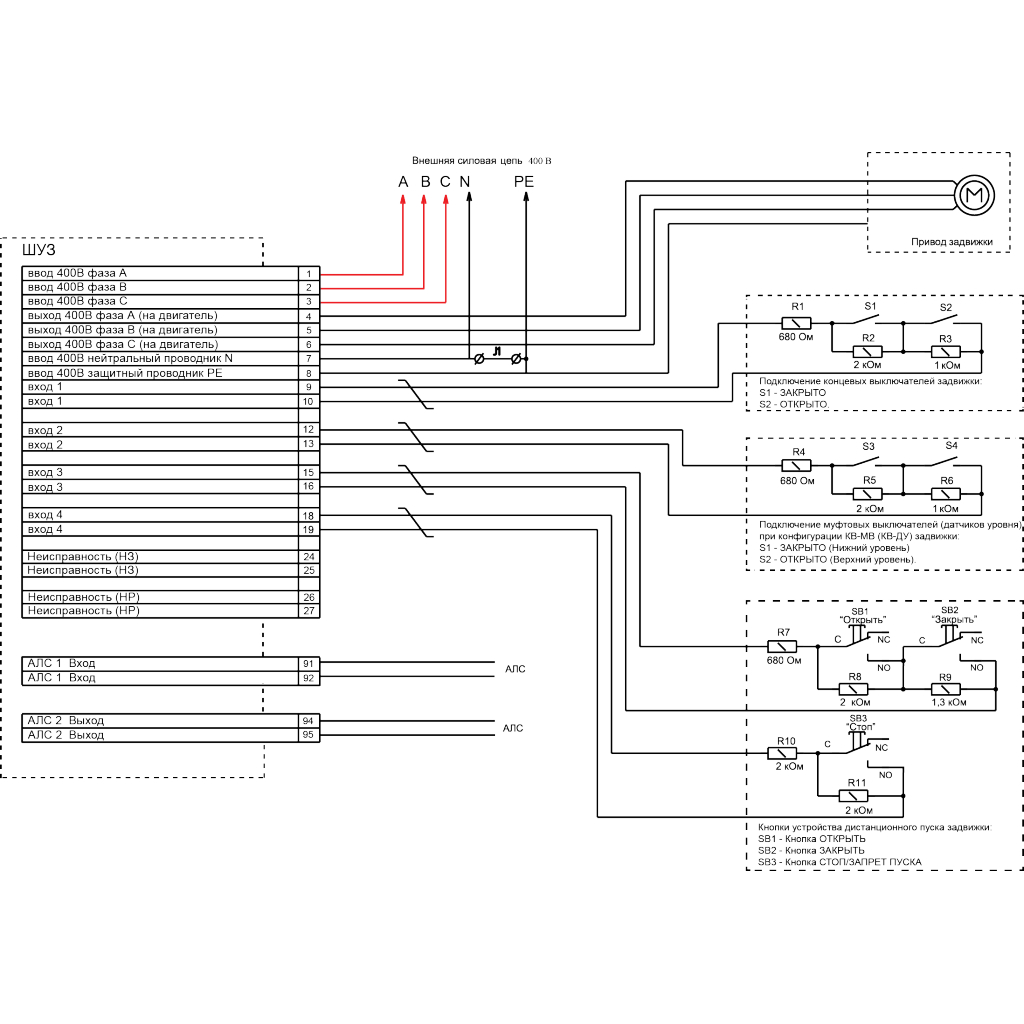
- Управляет электродвигателем задвижки через магнитный контактор. Включение и отключение магнитного контактора возможно в автоматическом режиме управления командными импульсами встроенного в шкаф контроллера по сигналу с приемно-контрольного прибора ППКПУ и в ручном режиме управления с помощью кнопок шкафа без участия контроллера.
- Обеспечивает работу с трехфазными электродвигателями номинальной мощностью от 0,18 кВт до 15 кВт и однофазными электродвигателями номинальной мощностью от 0,18 кВт до 3 кВт.
Обеспечивает управление электроприводом:
- задвижки с шаровым затвором, оснащенной блоком концевых выключателей (тип управления 1, конфигурация КВ);
- задвижки с дисковым затвором, оснащенной блоком концевых и муфтовых выключателей (тип управления 2, конфигурация КВ-МВ);
- задвижки с шаровым затвором, оснащенной блоком концевых выключателей, выполняющей функцию пополнения пожарного резервуара по сигналам датчика уровня (тип управления 3, конфигурация КВ-ДУ).
- Выбор типа управления осуществляется с прибора «Рубеж-2ОП» прот.R3 при настройке параметров шкафа или задается через ПО «FireSec Администратор».
Шкаф управления имеет 3 режима управления:
- «Автоматический»:
- а) тип управления 1, тип управления 2 – по командам управления от ППКПУ, получаемым по адресной цифровой линии RS-R3 или по командам удаленного запуска задвижки.
- б) тип управления 3 – по командам датчиков уровня без участия ППКПУ (при этом происходит обмен информацией с ППКПУ).
- «Ручной» – по командам кнопок управления с панели шкафа.
- «Блокировка пуска» – когда контакторы обесточены и управление невозможно.
Основные функции:
- контроль наличия и параметров электропитания на вводе сети;
- контроль исправности основных цепей электрической схемы прибора;
- контроль исправности входных цепей от датчиков (концевых выключателей, датчиков усилий, датчиков уровня, кнопок дистанционного управления) на обрыв и короткое замыкание;
- контроль силовой цепи питания двигателя;
- местное переключение режима управления электроприводом на один из 3-х режимов: «Автоматический» / «Ручной» / «Отключен»;
- передачу в ППКПУ сигналов своего состояния по цифровой линии связи RS-R3;
- управление подключенным электроприводом в соответствии с командами, получаемыми по цифровой линии связи RS-R3 от ППКПУ, от кнопок ДУ, по командам датчиков уровня или по командам местного управления.
Технические характеристики:
|
Рабочее напряжение сети |
230 (+23/-35) В |
|
Номинальная частота |
50 ±1 Гц |
| Мощность электродвигателя, кВт | 0,37 |
|
Собственная потребляемая мощность от сети, не более |
30 ВА |
|
Тип системы заземления (выбирается при помощи перемычки) |
TN-C/ТN-S |
|
Степень защиты оболочки |
IP 31 |
|
Габаритные размеры ШУЗ прот.R3 |
510х410х250 мм |
|
Вес, кг, не более |
12 |
|
Рабочий диапазон температур |
от 0 до плюс 55°С |
- Тип адресного устройства: Шкаф управления
- Производитель: Рубеж
- Место установки: В помещении
