К-ДПМ1 (для ДПМ-1, ДПМГР-2) Кронштейн для изменения положения при монтаже блока магнита

15-0008-0001 Магнито-Контакт К-ДПМ1 изображение 1К-ДПМ1 изображение 3К-ДПМ1 изображение 4
Фото 1
Фото 2
Фото 3
Фото 4
1257 просмотров
762 ₽
Розничная цена

Под заказ
Наличие и срок поставки уточняйте у менеджеров

Оставить отзыв

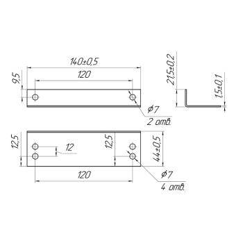
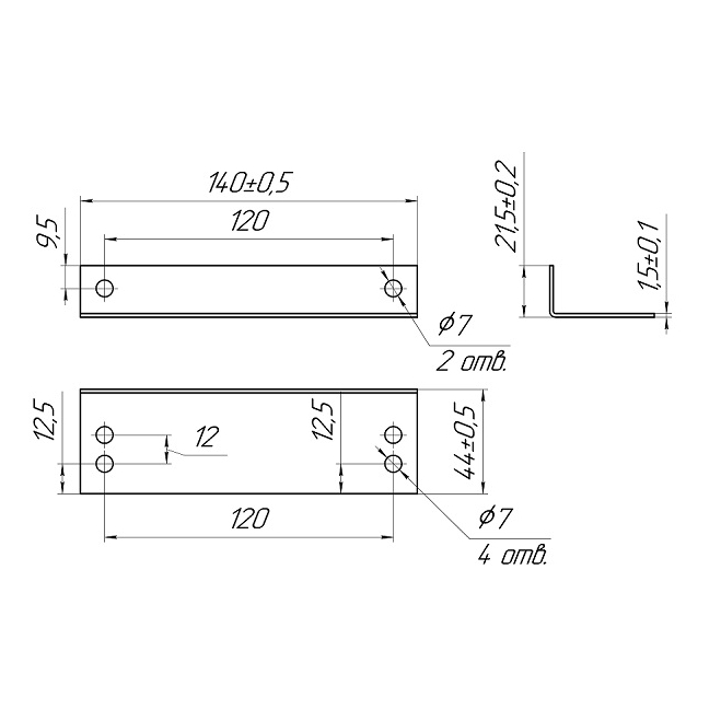
Кронштейн для изменения положения при монтаже блока магнита или блока датчика ДПМ-1, ДПМ-1-100 и ДПМГР-2. Позволяет изменить положение одного из блоков на 90 град. Нержавеющая сталь толщиной 1,5 мм

Технические характеристики К-ДПМ1:

Материал Нержавеющая сталь
Габаритные размеры, мм:
- длина 140
- ширина 44
- высота 22
- толщина 1.5
Документация:
  1. Паспорт (Инструкция)
Техническая консультация
Самовывоз из офиса:
    Пункт выдачи:*
      Доставка курьером:*
        Транспортные компании:
          Почта России:*
            * Срок доставки указан для товара в наличии на складе в Москве
            Отзывы:

            Ваш отзыв может быть первым!