ДИП-63 (ИП-212-63) Данко извещатель пожарный дымовой оптико-электронный
- Производитель: Сибирский Арсенал
- Код товара: 095-033
Извещатель дымовой, 9-28 V, 90 мкА
Назначение: Пожарный дымовой оптико-электронный извещатель ИП212-63 «Данко» служит для обнаружения признаков пожара (задымленности).
Извещатель предназначен для круглосуточной работы с любым приемно-контрольным прибором, обеспечивающим постоянное (или знакопеременное) напряжение питания в шлейфе сигнализации и воспринимающим сигнал «Пожар» в виде дискретного уменьшения внутреннего сопротивления извещателя в прямой полярности.
Основные особенности ДИП-63 (ИП-212-63) Данко:
- Отображение режимов работы светодиодным индикатором:
- «Дежурный режим» - мигание индикатора с периодом 7 секунд
- «Пожар» -постоянное свечение.
- Высокая помехозащищенность.
- Кнопка для ручного контроля извещателя. (Чтобы проверить извещатель на работоспособность, достаточно нажать на кнопку, расположенную на крышке извещателя)
- Возможность подключения выносного оптического индикатора (светодиода).
Технические характеристики:
|
Диапазон напряжений питания от шлейфа сигнализации, |
9...30 В |
|
Номинальное напряжение ограничения |
20 В |
|
Длительность переполюсовки питания, не более |
100 мс |
|
Период переполюсовки питания, не менее |
700 мс |
|
Чувствительность извещателя (удельная оптическая плотность среды) |
0,05...0,2 Дб/м |
|
Потребляемый ток |
75 мкА |
|
Ток потребления в тревожном режиме, не более |
25 мА |
|
Диапазон рабочих температур |
-30...+55 °С |
|
Относительная влажность воздуха при температуре +35 °С, без конденсации влаги, не более |
93% |
|
Вес |
160 г |
|
Степень защиты оболочки |
IP40 |
|
Срок службы, не менее |
10 лет |
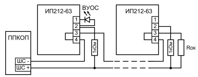
Схема подключения:


- Тип пожарного извещателя: Дымовой точечный
- Производитель: Сибирский Арсенал
- Напряжение (В) min: 9
- Напряжение (В) max: 28
- Встроенная сирена: Нет
- Индикатор: На корпусе, Подключение выносного (ВУОС)
- Линия связи: 2-х проводная
- Особенности извещателя: Нет
- Ток потребления в дежурном режиме, мА: 0.075
Ваш отзыв может быть первым!
