ШУН/В-3-00-УПП-R3 Шкаф управления пожарный адресный
- Производитель: Рубеж
- Код товара: 438-482
Шкаф управления насосом/вентилятором с устройством плавного пуска (УПП). Работает с «Рубеж-2ОП» прот.R3, «R3-Рубеж-2ОП» или автономно, , мощность электродвигателя 3 кВт, тип электросети трехфазная, силовые элементы автоматики 00 – производитель Dekraft
Основные особенности ШУН/В-3-00-УПП-R3:
- Дополнительные функции: УПП - устройство плавного пуска
- Мощность электродвигателя, кВт: 3
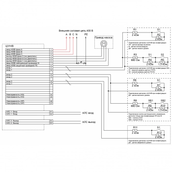
- Управляет электродвигателем через магнитный контактор. Включение и отключение магнитного контактора возможно в автоматическом режиме управления командными импульсами встроенного в шкаф контроллера по сигналу с приемно-контрольного прибора ППКПУ и в ручном режиме управления с помощью кнопок шкафа без участия контроллера.
- Обеспечивает работу с трехфазными электродвигателями номинальной мощностью от 0,18 кВт до 250 кВт и однофазными электродвигателями номинальной мощностью от 0,18 кВт до 3 кВт.
Выполняет функции управления работой:
- пожарного насоса;
- дренажного насоса;
- жокей-насоса;
- вентилятора.
Основные функции:
- контроль наличия и параметров электропитания на вводе сети;
- контроль исправности основных цепей электрической схемы прибора;
- контроль исправности входных цепей от датчиков и электроконтактных манометров на обрыв и короткое замыкание;
- контроль силовой цепи питания двигателя;
- местное переключение режима управления электроприводом на один из 3-х режимов: «Автоматический» / «Ручной» / «Отключен»;
- передачу в ППКПУ сигналов своего состояния по цифровой линии связи RS-R3;
- управление подключенным электроприводом в соответствии с командами, получаемыми по цифровой линии связи RS-R3 от ППКПУ, по командам датчиков уровня или по командам местного управления.
Режимы управления:
- «Автоматический», когда управление работой электродвигателя осуществляется по командам с ППКПУ.
- «Ручной», когда управление работой осуществляется с панели управления кнопками Пуск и Стоп.
- «Отключен», когда контактор обесточен и пуск электродвигателя невозможен.
Технические характеристики:
|
Рабочее напряжение сети |
230 (+23/-35) В |
|
Номинальная частота |
50 ±1 Гц |
| Мощность электродвигателя, кВт | 3 |
|
Собственная потребляемая мощность от сети, не более |
100 ВА |
|
Тип системы заземления (выбирается при помощи перемычки) |
TN-C/ТN-S |
|
Степень защиты оболочки |
IP 31 (IP 54 по требованию заказчика) |
|
Габаритные размеры: |
510 х 410 х 250 мм |
|
Масса, не более: |
12 кг |
|
Рабочий диапазон температур |
от -25 до +55°С |
- Тип адресного устройства: Шкаф управления
- Производитель: Рубеж
- Артикул производителя: Rbz-165321
Ваш отзыв может быть первым!
